На недорогой воздухосборник ВВ-50 объёмом 50000 л и рабочим давлением 10 бар действует гарантия 12 месяцев.
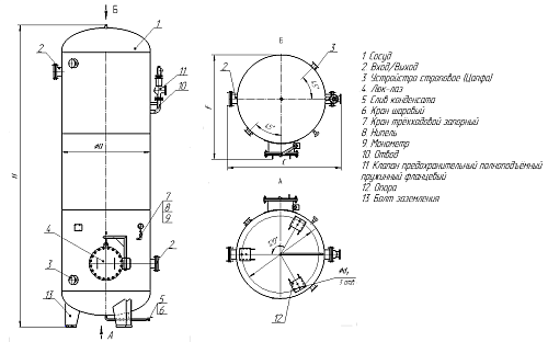
Ресивер имеет габариты (мм) 2810 × 2900 × 11720. Масса ресивера - 13720 кг.
По вопросам покупки воздухосборника ВВ-50 со скидкой обращайтесь на номер +7 (904) 812-98-14.
Ресивер имеет габариты (мм) 2810 × 2900 × 11720. Масса ресивера - 13720 кг.
По вопросам покупки воздухосборника ВВ-50 со скидкой обращайтесь на номер +7 (904) 812-98-14.
